Horace Smith
Horace Smith was an American gunsmith, inventor, and businessman. He and his business partner, Daniel B. Wesson, were based in Norwich in the earliest years of their creative, successful careers. Their first Smith & Wesson Company was founded in Norwich in 1853. In 1855 they sold their business to Oliver Winchester, who renamed and reformed the business as the Volcanic Repeating Arms Co. This company was based in Norwich on Central Wharf. In November 1856 Smith and Wesson formed the modern-day Smith & Wesson in Springfield, Massachusetts.
*Place cursor over images to magnify
Daniel B. Wesson
He and Daniel B. Wesson’s self-contained firearm cartridge revolutionized the firearm industry. The cartridge was developed and patented while they were in Norwich.
*Place cursor over image to magnify
Smith’s obituary, shown on the left, was printed in the Norwich Morning Bulletin newspaper on Monday, January 17, 1893. The text is provided below:
“Horace Smith was born in Cheshire [Massachusetts], October 28, 1808, his father being Silas Smith. When Horace was but a boy, his father moved to Springfield to work in the Watershops, living in a small house near Blake’s woods. Young Horace went early to work in the Watershops, where he remained until 1842, he moved to Norwich, CT. There he was employed in the making of small arms with Allen and Thurber, and later himself became a member of Cranston & Smith. In 1852 he worked in the firearms factory of Allen & Luther at Worcester, where he first met D. B. Wesson, and there the two men worked out the principals of the Winchester rifle which has of course been somewhat improved on, but which were practically the same as now.”
“Smith and Wesson formed their first partnership in 1853, when they went to Norwich and established a factory for making their new arms, the necessary money being furnished by Cortland Palmer of New York. They then applied the principles to pistols and to rifles smaller than the present Winchesters. In 1855 they sold out the business to the present Winchester Arms Company at New Haven, and Mr. Smith moved to Springfield, where for two years he kept a livery stable and then formed a second copartnership with Mr. Wesson in the manufacture of a patent revolver.
Since his retirement in 1874, Mr. Smith has invested largely in Western lands and projects, being especially interested in Michigan pine land. He has been recognized as a good business man by local companies, and has for years been connected with the Chicopee bank and the Springfield Institutions for Savings. He was elected director of the former in 1861 and president at the death of Henry Fuller Jr., in July, 1887 and has been a trustee of the latter since 1877. He was also a director in the Worthy and Riverside paper companies. Mr. Smith has been married three times, to Miss Eliza Foster, of this city [Springfield], to Mrs. Eliza Jepson who died in 1872, and to Miss Lucretia Hebard of Norwich, Conn. who died in 1887. His only children were two sons by his first wife, one of which died in infancy, the other, Dexter, a well known artisan and manufacturer died just six weeks before his father.
Many a poor boy has owed his education to his benevolence and many old people have been able to pass their old age in comfort through his gifts. Since his retirement from active business life nearly twenty years ago, Mr. Smith has much leisure, much of which he has spent in travel to the West. He was himself a great enthusiast on the subject of astronomy, having in his home an exceedingly fine telescope which he followed intelligently all the remarkable movements of the heavens. His only public service was on the board of alderman, to which he was elected in 1859 and again in 1862 and 1863. The disposition of his large property is not known, though the death of his only son and natural heir six weeks ago has changed his plans, and it is probable that there will be several public bequests. One of $15,000, made last summer, will go to the Northfield seminary.
Horace Smith and Daniel B. Wesson formed the Smith & Wesson Company in Springfield in November 1856 in rented space on Market Street. Each brought to the partnership expertise in gunsmithing learned through youthful apprenticeships. They also brought a commitment to charitable giving. Each took personal interest in their employees and other individuals in the city, and they benefited their community by leaving a legacy of significant contributions to charitable organizations, education, and health care.”
Horace Smith’s first patent, entitled “Magazine Fire-Arm” (US Patent No. 8,317) was granted solely to him in 1851, while he was in Norwich, before he partnered with Daniel B. Wesson. On February 14, 1854 Smith patented an “Improvement in Fire-Arms” (US Patent No. 10,535). This novel development resulted in the first lever-action pistol. A few months later on August 8, 1854 Horace Smith and Daniel B. Wesson, still in Norwich, received their first joint patent, “Improvement in Cartridges,” (US Patent No. 11,496). This cartridge patent revolutionized the firearm business.
Two years later Smith and Wesson jointly patented an improved primer for firearms cartridges, US Patent 14,147 dated January 22, 1856). This cartridge was used by Oliver Winchester’s guns produced in Norwich at his Volcanic Repeating Arms Company.
Smith & Wesson patented several other firearms related inventions after they left Norwich in 1856. However, this website only presents the patents they developed while in Norwich.
U.S. PATENTS GRANTED WHILE IN NORWICH

1851 Magazine Firearm

1854 Magazine Firearm

1854 Cartridge

1856 Improved Cartridge
Daniel B. Wesson was Horace Smith’s business partner for many years. Their partnership began in Norwich in 1852. Mr. Wesson died in 1906. His obituary, printed in the August 6, 1906 issue of the Norwich Morning Bulletin reads:
~~~~~~ Daniel Baird Wesson ~~~~~~
“After an illness of almost four years Daniel Baird Wesson, known as the revolver king, died at his home in Springfield at 4:45 o’clock Saturday. Death resulted from heart disease caused by neuritis.
Mr. Wesson was the founder of the famous firm of Smith & Wesson, and had been in the manufacture of guns and revolvers all his life. He was born in Worcester May 18, 1825, and came to Springfield in 1857, when, with Horace Smith, he started his famous revolver business. He went there a poor man, and at the time of his death his wealth is estimated at $50,000,000. He endowed two hospitals in Springfield and subscribed many thousands of dollars annually to charity. He leaves two sons, a daughter, and thirteen grandchildren.
For some years Mr. Wesson was a manufacturer in this city [Norwich] where in 1852 he became associated with the late Horace Smith, formed a partnership and established a factory here. It was here that the two men worked out the principles of the arm now known as the Winchester rifle, an arm which has been much improved, but which in its main points is practically unchanged today. They made this rifle for a time in Norwich, and later applied a similar principle to pistols and other small arms. Eventually they disposed of the patents to the Volcanic Arms Co. in 1855 Mr. Smith retired from the business and became otherwise engaged in Worcester.”
Many thanks to Richard Russ for contributing to this article.
Norwich Morning Bulletin, (01/17/1893)
Wood Museum of Springfield History
The complete list of sources may be found by clicking the “Bibliography” button, and, then typing “Smith&Wesson” in the SEARCH box.
The complete description of all his patents may be viewed by clicking the “Patents” button, and, then typing “Horace Smith” in the SEARCH box.
Edwin Allen was an accomplished inventor and entrepreneur based in Norwich for many years. He patented more than 30 inventions, 23 of which were granted while in Norwich, between the years 1866 and 1885. He is recognized as the first to patent a stencil-plate employing wooden blocks, and as father of the “corner card envelope.” Most of his patents were focused on the art of creating machinery for making envelopes and wooden spools for thread.
*Place cursor over images to magnify
His inventions spanned a period of 45 years, 1840-1885. Allen’s first invention was a stencil plate for making signs and printing using wood type. He launched his first business in Windham, CT.
In 1840 he patented the first “settable-unit” stencils device in America. Letters could be joined to together to form words, and the resulting wood type could be used to make signs or posters. In the words of the inventor:
“This apparatus consists of a rectangular frame A, in which are placed a set of metallic plates B, in grooves, which plates are perforated in letters, periods, commas, spaces, etc., over which plates the brush, with the paint, or coloring matter, is passed with which the impression or printing is to be made on the box. bale, etc.”
Later, in 1849, Edwin Allen turned his attention to education and devised an “Arithmetical Table.” His U.S. Patent No. 6,407 is shown on the left. The description of his patent names the device both an “Education Table” and an “Arithmetical Table.”
Wooden building blocks, with letters on them, was patented by Samuel Hill, (U.S. Patent No. 2,528) in 1867, 18 years after Edwin Allen’s “Arithmetical Table” patent.
Allen’s wood block type cutting machine sparked the attention of the George F. Nesbitt & Co., one of the largest printing houses in New York. Soon thereafter, Mr. Nesbitt asked him to produce a machine that could make envelopes. Allen went to New Jersey and built the first stamped envelope machine for the company.
Envelope Printing Press
The Stamper
Patent No. 70,773
Envelope Printer & Paper Feeder
Edwin Allen’s folding machines, shown on the left, were used by the George F. Nesbitt & Co. in New York City. They featured the envelope feeding attachment, shown on the right. This envelope printing-press was one of the first examples known capable of inline printing on an envelope-folding machine. The machine could make six thousand envelopes in one hour. This machine is believed to have been the first so called “Stamper,” or envelope folding machine with printing and embossing attachments and was the forerunner in the development of printing and folding machines.
*Place cursor over images to magnify
Envelope Feeder
Patent No. 39,772
Edwin Allen’s skill and imaginative mind blossomed while in Norwich and more intricate inventions followed.
In 1865 Allen organized the Allen Manufacturing Co. in Norwich to build and Allen Rotary Envelope machines for Nesbitt’s company in New York. The manufacturing facility was located at the corner of Willow & Franklin Streets.
The advertisement shown on the left was published in the May 19, 1868 issue of the Norwich Morning Bulletin. It demonstrates that in addition to making making rotary presses, Allen was also making and selling printed envelopes to locals in Norwich.
On December 16, 1870 the Norwich Morning Bulletin reported “The Allen Manufacturing company is now manufacturing the Allen envelope press invented by Allen, on which several improvements have been recently made. This is the press used by the government in printing and stamping envelopes, six thousand of which, by the aid of a new self-feeding apparatus, it turns out in an hour.”
While Allen was manufacturing envelopes and envelope folding machines, he also devoted considerable time to the further development of an improved envelope printing press a with new capability. Allen believed there would be a large demand for envelopes with return addresses printed in the upper left corner. So he developed the Allen Rotary Press, commonly called the Jumper. However, the corner card was not accepted in the market and the failure of this venture caused Allen to retreat from envelope manufacturing on March 1, 1869.
Refer to the “Corner Card Envelope” sidebar below, to learn more.
Edwin Allen will always be remembered as the father of the corner card envelope. He possessed a vision that was beyond his time. His contributions to the field of envelope manufacturing and envelope machinery design set the stage for later significant developments.
*Place cursor over image to magnify
Corner Card Envelope
The term corner card (a.k.a. return address) refers to printed matter in the upper left hand corner of a postal stationery envelope or an envelope designed to have regular adhesive stamps affixed to it. The corner card sometimes contains an image of the sender’s place of business. It is there for the purpose of stating the sender’s return address.
Edwin Allen of Norwich Connecticut is considered the father of the corner card envelope.
The Shetucket National Bank, circa 1874, envelope shown on the left, was likely printed on one of Edwin Allen’s presses in Norwich
From 1869 through 1873 Allen continued to develop improvements to his envelope machines. However, in 1874 he turned his creative attention to the design of wood-planing machines, paper-cutting machines, and machines that made wooden spools. During this period of his life, Edwin contributed six patents associated with the production of spools.
In 1868 the building became home of the Hopkins & Allen Arms Company. It is believed that the Allen Manufacturing Co. and the arms manufacturing company were making their wares in the same building.
Edwin Allen is shown on the upper-left and, a wooden advertisement for his spool manufacturing company is shown on the upper-right.
*Place cursor over images to magnify
In 1879 Edwin organized and was the President of the Allen Spool & Printing Co. in Norwich. His manufacturing facility was located on the corner of Willow and Franklin Streets. The facility operated there until 1879. At that time the Allen Spool & Printing Co. facility moved to Mystic, CT.
Edwin married Ruth Noyes on 12/09/1833 in Lebanon, Connecticut. She and Edwin had two children, Edward born in 1838 and Edwin born in 1840, both in Windham. Ruth died in Windham on August 19, 1861. Both she and Edwin were 52 at the time.
Edwin married Sarah Chilcoat on May 15, 1862 in Newark, New Jersey. At the time of their marriage, Sarah was 30 years old. Two years later Sarah gave birth to Frank C. Allen in Norwich. In November 1869 she gave birth to Addie F. Allen.
Edwin and his second wife Sarah are buried in Yantic Cemetery. Their son Frank and daughter Addie are also buried in Norwich’s Yantic Cemetery. His first wife, Ruth, is buried in Windham, her childhood home.
“The History of Envelopes” (2002), pp 38-39, by Maynard H. Benjamin
Find A Grave
Connecticut Museum of Culture and History
The complete list of sources may be found by clicking the “Bibliography” button, and, then typing “Edwin Allen” in the SEARCH box.
The complete description of all his patents may be viewed by clicking the “Patents” button, and, then typing “Edwin Allen” in the SEARCH box.
Christopher C. Brand (a.k.a. C.C. Brand) was the creative driving force behind the C.C. Brand Iron Works He was an inventor, producer, and seller of whale bomb-lances and whaling guns used worldwide.
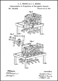
Brand was best known for his work in the whaling industry; however, in the later years of his life, he collaborated with another Norwich resident, Christopher C. Moore, to invent an improved boat propulsion system. An image of their patent is shown on the right. A portion of the text in the patent application states:
“Be it known that we, CHRISTOPHER C. BRAND and CHRISTOPHER C. MOORE, both of Norwich, Connecticut, have invented certain new and useful Improvements in Apparatus for Propelling Boats by steam or other power, of which the following is a specification: The principal feature of our invention consists of an articulated bucket-frame carried by a cam or eccentric which, when rotated, imparts an up and down and back and forth movement to said frame …”
*Place cursor over images to magnify
*Place cursor over images to magnify
In 1852, Brand’s first patent featured an improvement to Oliver Allen’s 1846 bomb-lance patented. Brand’s 1856 bomb-lance, shown on the left, was fired from whaling guns similar to the one shown. Prior to C.C. Brand’s innovations, whalers had to manually throw harpoons from small boats at their prey. His patented bomb-lance contained a fused detonation device that efficiently killed whales. The combination of a whaling gun loaded with a bomb-lance resulted in a much safer working environment for whalers.
His selling agents were organized worldwide, from England to the Hawaiian Islands. From 1852 to 1863 C.C. Brand was awarded six U.S. patents associated with the whaling industry and one boat-propulsion system. All seven of his patents are shown in the carousel below.
U.S. PATENTS

1852 Bomb Lance

1857 Bomb Lance

1862 Revolver Sheet 1

1862 Revolver Sheet 2

1862 Whaling Gun

1863 Firearm

1863 Revolver

1872 Boat Propulsion System
Junius A. Brand, one of C.C. Brand’s sons, worked closely with his father. He was a selling agent for whaling tools and was also awarded two U.S. patents, both associated with the whaling industry. His 1879 patent bomb-lance is shown on the right.
Christopher C. Brand married Temperance A. Allyn on June 14, 1835 in Ledyard. They had six children (which includes one set of twins). He died 10 years before Temperance. His entire family, (with the exception of eldest daughter, Josephine) are buried in the Yantic cemetery.
*Place cursor over image to magnify
Find A Grave
Norwich Arms Gazette (2003), Vol. 1 Issue 3
The complete list of sources may be found by clicking the “Bibliography” button, and, then typing “C.C. Brand” in the SEARCH box.
The complete description of all his patents may be viewed by clicking the “Patents” button, and, then typing “C.C. Brand” in the SEARCH box.